Measurement range from 0 to 5000 mm, with versatile selectable output signals.
Supports both digital and analog outputs, available with incremental encoders or absolute encoders.
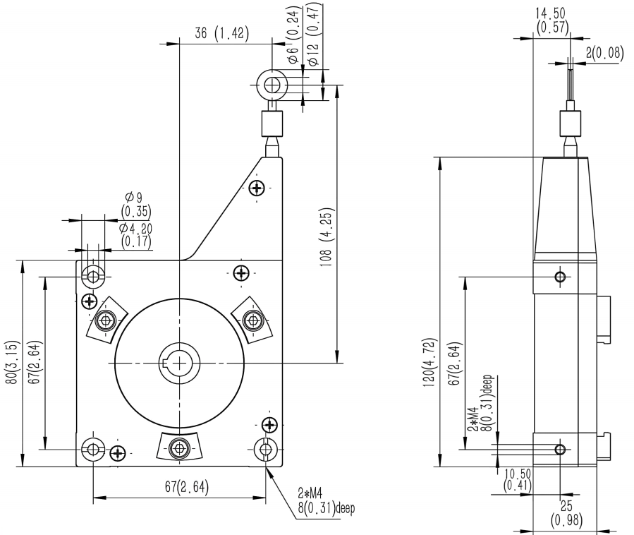
Aluminum alloy construction with consistent travel per revolution, ensuring high repeatability.
Compact installation space, high measurement accuracy, high reliability, long service life, low maintenance requirements, and easy installation.
High displacement speed, suitable for high-speed motion; compatible with secondary instruments or PLC control systems for more intuitive displacement monitoring.
Protection rating up to IP65, with an operating temperature range of –45 °C to +105 °C.
Ideally suited for dimensional and position measurement applications across a wide range of industries.



| Product Series | SALS-JG60 | SALS-JG80 | SALS-JG130 |
| Description | Draw-wire traction mechanism for servo flanges with 6 mm shaft | ||
| Scope of Supply | Available as draw-wire mechanism only (without encoder) or supplied with encoder | ||
| Measuring Range | 0 m...1.25 m | 0 m...3 m | 0 m...5 m |
| Repeatability | ≤ 0.2 mm | ≤ 0.3 mm | |
| Linearity | ≤ ± 2 mm | ||
| Hysteresis | ≤ 0.5 mm | ≤ 1.2 mm | |
| Weight (mechanism only) | 80 g | 500 g | 800 g |
| Weight (draw wire) | 0.58 g/m | 1.2 g/m | |
| Draw-Wire Material | Highly flexible 316 stainless steel wire rope | ||
| Material, Housing | Aluminum alloy | Plastic, aluminum alloy | |
| Housing Material | Aluminum alloy | Plastic, aluminum alloy | |
| Length per Revolution | 150 mm | 250 mm | 385 mm |
| Actual Cable Length | 1.2 m | 3.2 m | 5.2 m |
| Spring Return Force | 1 N...1.4 N | 3.3 N...4.4 N | 3.3 N...4.4 N |
| Draw-Wire Diameter | 0.6 mm | ||
| Acceleration | 6 m/s² | 10 m/s² | 10 m/s² |
| Resolution | Cable extension per revolution / steps per revolution = resolution of the draw-wire and encoder combination | ||
| Operating Temperature | -30 °C...+70 °C | ||
| Protection Rating | IP50 | ||
| Service Life | Typ. 5,000,000 cycles | ||



Email:sividi360@outlook.com
Copyright © 2025 SIVIDI Inc. All Rights Reserved. Sitemap