Core components of the product are 100% domestically manufactured, ensuring a stable supply chain and high-quality reliability.
Utilizing high-precision magnetic sensing technology, the encoder provides both single-turn (S:) and multi-turn (M:) solutions.
Supports EtherCAT bus with a maximum data rate of 100 Mbit/s, enabling fast and stable communication.
Single-turn resolution up to S:16-bit, multi-turn resolution up to M:14-bit, ensuring precise measurement.
Features high shock and vibration resistance, with protection level up to IP66, suitable for harsh industrial environments.
Built-in reverse connection and short-circuit protection effectively reduces the impact of installation errors on the encoder.


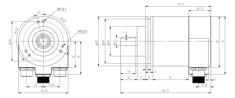
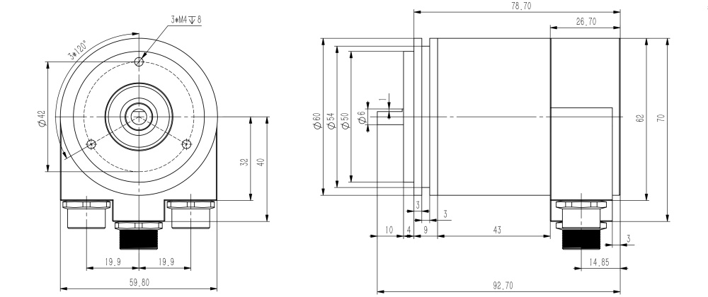
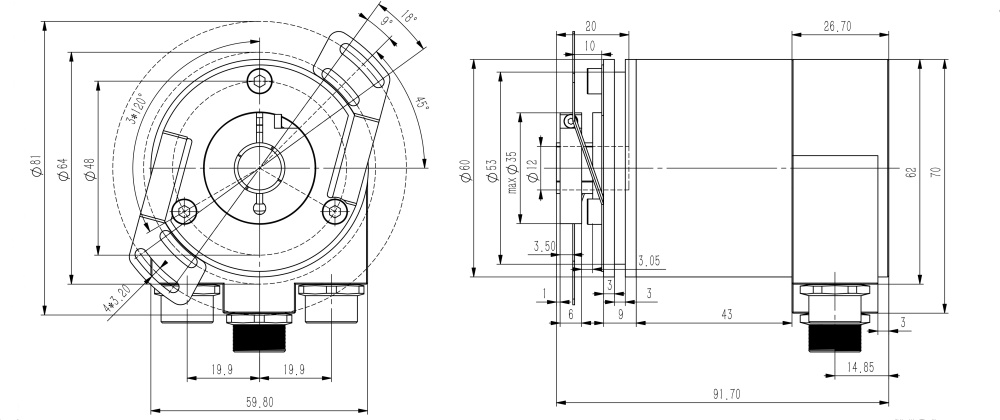
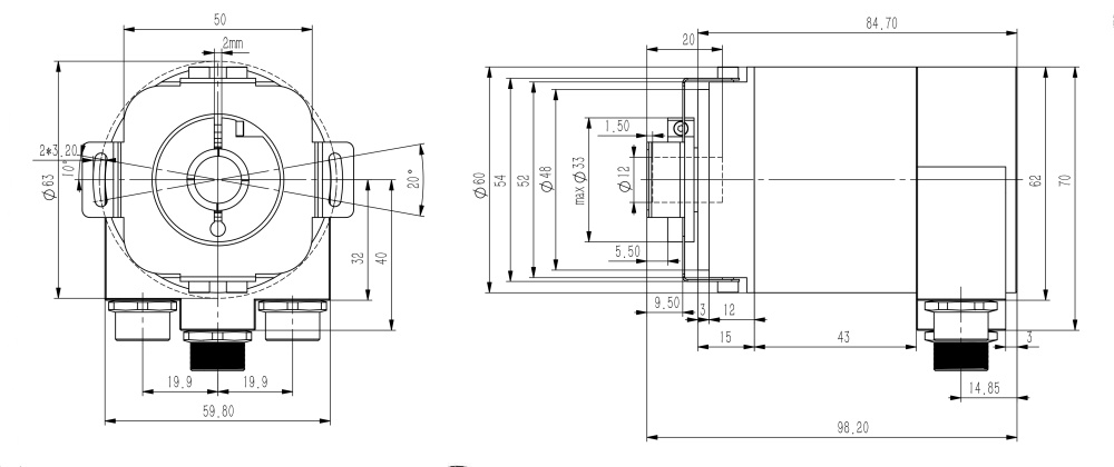
| Parameter | SAS/M58A (Solid Shaft) | SAS/M58C (Blind Hollow Shaft) |
|---|---|---|
| Key Feature | Ø 58mm Solid Shaft | Ø 58mm Blind Hollow Shaft |
| Spindle Size | Ø 6, 8, 10, 12, 15mm (custom sizes available) | |
| Housing Material | Aluminum (optional Stainless Steel housing) | |
| Signal Output Interface | EtherCAT | |
| Output Circuit | ISO11898 compliant, optically isolated | |
| Protocol | CoE (CANopen over EtherCAT, DS-301 + DS-406) | |
| Output Driver | Ethernet | |
| Function | S: Single-turn or M: Multi-turn | |
| Supply Voltage | 10 ~ 30 VDC | |
| Single-turn Resolution | Standard S:12-bit 4096, S:13-bit 8192, S:16-bit 65536 | |
| Multi-turn | S:1-turn, M:12-bit 4096-turn standard, M:14-bit 16384-turn max | |
| Power Consumption | ≤ 2.5 W | |
| Startup Time | < 1 s | |
| Interface Cycle Time | ≥ 62.5 µs | |
| Programmable Functions | Resolution, preset, counting direction | |
| Data Rate | 10/100 Mbit | |
| Diagnostics | Opto-ASIC, memory, LED | |
| Encoding | Binary code | |
| Protection | Reverse polarity: yes; Short-circuit: yes; Lightning & ESD protection: yes | |
| Physical Performance | Max speed: 6000 r/min | Spindle load: Radial 200 N, Axial 100 N |
| Ingress Protection | IP65 or IP66 | |
| Starting Torque | < 0.05 Nm | |
| Operating Temperature | -30℃…85℃ (customizable -40℃…85℃) | |
| Storage Temperature | -40℃…100℃ | |
| Resistance | Shock: 1000 m/s², 6 ms (100 g) | Vibration: 20 g |
| Connection | 3× M12 connector | |
| Cable Outlet | Radial side exit, axial rear exit | |




| SA | ① | 58 | ② | - | TP | ④ | ⑤ | - | ⑥ | - | ⑦ | ⑧ | ⑨ | - | ⑩ |
Email:sividi360@outlook.com
Copyright © 2025 SIVIDI Inc. All Rights Reserved. Sitemap